SMD Common Mode Toroids Coils - SHT0905
SHT0905
SHT0905 SMD Common Mode Toroid Coils feature low profile, high current capacity, and RoHS compliance for EMI suppression in industrial and telecom equipment.
Inductance / Impedance
11-4700 (µH)
Rated Current
0.4-1 (A)
Features
- Reduced components height.
- High rated currents.
- Suitable for reflow soldering.
- RoHS-compatible.
Applications
- Industrial equipment.
- Telecommunication systems.
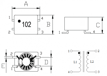
A 9.00 ± 0.5 m/m
B 5.50 ± 0.4 m/m
C 5.20 (MAX) m/m
D 2.54 ± 0.3 m/m
E 0.50 (REF) m/m
- File Downlaod
- Related Product
-
SMD Common Mode Toroids Coils - SFT0905
SFT0905
SFT0905 SMD Common Mode Toroid Coils offer low profile, high current handling, and RoHS compliance...
Details
How can you reduce EMI interference while maintaining compact board layouts in your industrial control and power distribution systems?
Core Master's SHT0905 SMD Common Mode Toroid Coils combine ultra-low profile design with high current ratings (0.4-1A) specifically engineered for space-constrained industrial applications. Our RoHS-certified components integrate seamlessly into reflow soldering processes, reducing assembly costs while delivering superior EMI suppression across the 11-4700µH inductance range. With 40+ years of manufacturing expertise and SGS quality assurance, we ensure your equipment meets electromagnetic compatibility standards without design compromises.
Core Master provides comprehensive customization capabilities for the SHT0905 SMD Common Mode Toroid Coils, enabling manufacturers to optimize EMI suppression performance for their specific circuit requirements. With professional engineering support, SGS quality assurance, and reliable delivery backed by maintained material inventory, Core Master partners with industrial equipment manufacturers and telecommunications system integrators worldwide to reduce design cycles and ensure production continuity. Contact our technical team today to discuss how our SMD common mode toroid coils can enhance your product's electromagnetic compatibility and performance reliability.



